
|
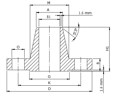
SIZE |
D | B | G | M | H1 | A | B1 | K | N | O |
| O.D. | THK. | R.F. DIA | HUB OD | W/N | NECK OD | WNRF ID | PCD | NO. OF HOLES | HOLE DIA. | |
| 1/2″ | 88.9 | 11.1 | 34.9 | 30.2 | 47.6 | 21.3 | 15.7 | 60.3 | 4 | 15.9 |
| 3/4″ | 98.4 | 12.7 | 42.9 | 38.1 | 52.4 | 26.7 | 20.8 | 69.8 | 4 | 15.9 |
| 1″ | 107.9 | 14.3 | 50.8 | 49.2 | 55.6 | 33.5 | 26.7 | 79.4 | 4 | 15.9 |
| 1.1/4″ | 117.5 | 15.9 | 63.5 | 58.7 | 57.1 | 42.2 | 35.1 | 88.9 | 4 | 15.9 |
| 1.1/2″ | 127.0 | 17.5 | 73.0 | 65.1 | 61.9 | 48.3 | 40.9 | 98.4 | 4 | 15.9 |
| 2″ | 152.4 | 19.1 | 92.1 | 77.8 | 63.5 | 60.4 | 52.6 | 120.6 | 4 | 19.0 |
| 2.1/2″ | 177.8 | 22.2 | 104.8 | 90.5 | 69.8 | 73.1 | 62.7 | 139.7 | 4 | 19.0 |
| 3″ | 190.5 | 23.8 | 127.0 | 107.9 | 69.8 | 88.9 | 78.0 | 152.4 | 4 | 19.0 |
| 3.1/2″ | 215.9 | 23.8 | 139.7 | 122.2 | 71.4 | 101.6 | 90.2 | 177.8 | 8 | 19.0 |
| 4″ | 228.6 | 23.8 | 157.2 | 134.9 | 76.2 | 114.3 | 102.4 | 190.5 | 8 | 19.0 |
| 5″ | 254 | 23.8 | 185.7 | 163.5 | 88.9 | 141.2 | 128.3 | 215.9 | 8 | 22.2 |
| 6″ | 279.4 | 25.4 | 215.9 | 192.1 | 88.9 | 168.4 | 152.4 | 241.3 | 8 | 22.2 |

|
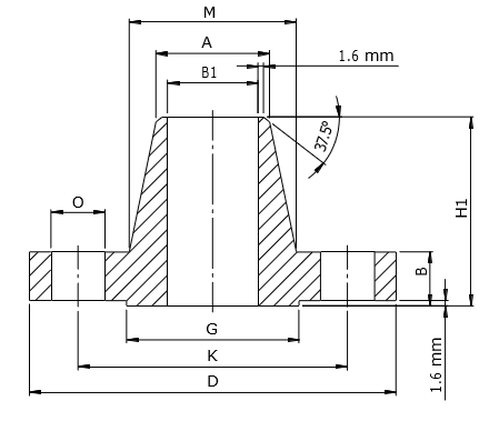
SIZE |
D | B | G | M | H1 | A | B1 | K | N | O |
| O.D. | THK. | R.F. DIA | HUB OD | W/N | NECK OD | WNRF ID | PCD | NO. OF HOLES | HOLE DIA. | |
| 1/2″ | 95.2 | 14.3 | 34.9 | 38.1 | 52.4 | 21.3 | 15.7 | 66.7 | 4 | 15.9 |
| 3/4″ | 117.5 | 15.9 | 42.9 | 47.6 | 57.1 | 26.7 | 20.8 | 82.5 | 4 | 19.0 |
| 1″ | 123.8 | 17.5 | 50.8 | 54.0 | 61.9 | 33.5 | 26.7 | 88.9 | 4 | 19.0 |
| 1.1/4″ | 133.3 | 19.0 | 63.5 | 63.5 | 65.1 | 42.2 | 35.1 | 98.4 | 4 | 19.0 |
| 1.1/2″ | 155.6 | 20.6 | 73.0 | 69.8 | 68.3 | 48.3 | 40.9 | 114.3 | 4 | 22.2 |
| 2″ | 165.1 | 22.2 | 92.1 | 84.1 | 69.8 | 60.4 | 52.6 | 127.0 | 8 | 19.0 |
| 2.1/2″ | 190.5 | 25.4 | 104.8 | 100.0 | 76.2 | 73.1 | 62.7 | 149.2 | 8 | 22.2 |
| 3″ | 209.5 | 28.6 | 127.0 | 117.5 | 79.4 | 88.9 | 78.0 | 168.3 | 8 | 22.2 |
| 3.1/2″ | 228.6 | 30.2 | 139.7 | 133.4 | 81.0 | 101.6 | 90.2 | 184.1 | 8 | 22.2 |
| 4″ | 254.0 | 31.8 | 157.2 | 146.1 | 85.7 | 114.3 | 102.4 | 200.0 | 8 | 22.2 |
| 5″ | 279.4 | 34.9 | 185.7 | 177.8 | 98.4 | 141.2 | 128.3 | 234.9 | 8 | 22.2 |
| 6″ | 317.5 | 36.5 | 215.9 | 206.4 | 98.4 | 168.4 | 152.4 | 269.9 | 12 | 22.2 |

|
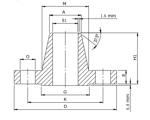
SIZE |
D | B | G | M | H1 | A | B1 | K | N | O |
| O.D. | THK. | R.F. DIA | HUB OD | W/N | NECK OD | WNRF ID | PCD | NO. OF HOLES | HOLE DIA. | |
| 1/2″ | 95.2 | 14.3 | 34.9 | 38.1 | 52.4 | 21.3 | – | 66.7 | 4 | 15.9 |
| 3/4″ | 117.5 | 15.9 | 42.9 | 47.6 | 57.1 | 26.7 | – | 82.5 | 4 | 19.0 |
| 1″ | 123.8 | 17.5 | 50.8 | 54.0 | 61.9 | 33.5 | – | 88.9 | 4 | 19.0 |
| 1.1/4″ | 133.3 | 20.6 | 63.5 | 63.5 | 66.7 | 42.2 | – | 98.4 | 4 | 19.0 |
| 1.1/2″ | 155.6 | 22.4 | 73.0 | 69.8 | 69.8 | 48.3 | – | 114.3 | 4 | 22.2 |
| 2″ | 165.1 | 25.4 | 92.1 | 84.1 | 73.0 | 60.4 | – | 127.0 | 8 | 19.0 |
| 2.1/2″ | 190.5 | 28.6 | 104.8 | 100.0 | 79.4 | 73.1 | – | 149.2 | 8 | 22.2 |
| 3″ | 209.5 | 31.8 | 127.0 | 117.5 | 82.5 | 88.9 | – | 168.3 | 8 | 22.2 |
| 3.1/2″ | 228.5 | 34.9 | 139.7 | 133.4 | 85.7 | 101.6 | – | 184.1 | 8 | 25.4 |
| 4″ | 273.5 | 38.1 | 157.2 | 152.4 | 101.6 | 114.3 | – | 215.9 | 8 | 25.4 |
| 5″ | 330.2 | 44.5 | 185.7 | 188.9 | 114.3 | 141.2 | – | 266.7 | 8 | 28.6 |
| 6″ | 335.6 | 47.8 | 215.9 | 222.3 | 117.5 | 168.4 | – | 292.1 | 12 | 28.6 |

|
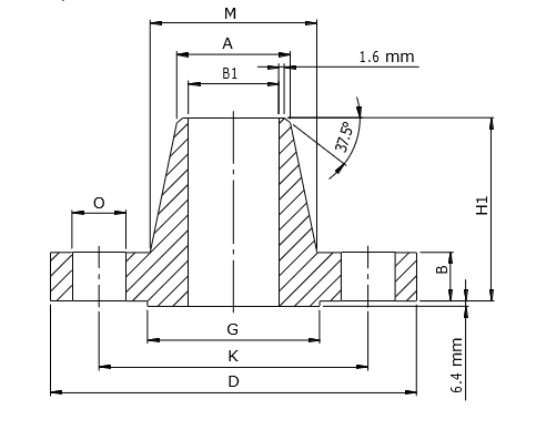
SIZE |
D | B | G | M | H1 | A | B1 | K | N | O |
| O.D. | THK. | R.F. DIA | HUB OD | W/N | NECK OD | WNRF ID | PCD | NO. OF HOLES | HOLE DIA. | |
| 1/2″ | 120.6 | 22.2 | 34.9 | 38.1 | 60.3 | 21.3 | – | 82.5 | 4 | 22.2 |
| 3/4″ | 130.2 | 25.4 | 42.9 | 44.4 | 69.8 | 26.7 | – | 88.9 | 4 | 22.2 |
| 1″ | 149.2 | 28.6 | 50.8 | 52.3 | 73.0 | 33.5 | – | 101.6 | 4 | 25.4 |
| 1.1/4″ | 158.7 | 28.6 | 63.5 | 63.5 | 73.0 | 42.2 | – | 111.1 | 4 | 25.4 |
| 1.1/2″ | 177.8 | 31.7 | 73.0 | 69.8 | 82.5 | 48.3 | – | 123.8 | 4 | 28.6 |
| 2″ | 215.9 | 38.1 | 92.1 | 104.6 | 101.6 | 60.4 | – | 165.1 | 8 | 25.4 |
| 2.1/2″ | 244.5 | 41.3 | 104.8 | 123.9 | 104.8 | 73.1 | – | 190.5 | 8 | 28.6 |
| 3″ | 241.3 | 38.1 | 127.0 | 133.3 | 101.6 | 88.9 | – | 190.5 | 8 | 25.4 |
| 4″ | 292.1 | 44.5 | 157.2 | 162.0 | 114.3 | 114.3 | – | 234.9 | 8 | 31.7 |
| 5″ | 349.2 | 50.8 | 185.7 | 196.8 | 127 | 141.2 | – | 279.4 | 8 | 34.9 |
| 6″ | 381 | 55.6 | 215.9 | 228.6 | 139.7 | 168.4 | – | 317.5 | 12 | 31.7 |

|
SIZE |
D | B | G | M | H1 | A | B1 | K | N | O |
| O.D. | THK. | R.F. DIA | HUB OD | W/N | NECK OD | WNRF ID | PCD | NO. OF HOLES | HOLE DIA. | |
| 1/2″ | 120.6 | 22.2 | 34.9 | 38.1 | 60.3 | 21.3 | – | 82.5 | 4 | 22.2 |
| 3/4″ | 130.2 | 25.4 | 42.9 | 44.4 | 69.8 | 26.7 | – | 88.9 | 4 | 22.2 |
| 1″ | 149.2 | 28.6 | 50.8 | 52.3 | 73.0 | 33.5 | – | 101.6 | 4 | 25.4 |
| 1.1/4″ | 158.7 | 28.6 | 63.5 | 63.5 | 73.0 | 42.2 | – | 111.1 | 4 | 25.4 |
| 1.1/2″ | 177.8 | 31.7 | 73.0 | 69.8 | 82.5 | 48.3 | – | 123.8 | 4 | 28.6 |
| 2″ | 215.9 | 38.1 | 92.1 | 104.6 | 101.6 | 60.4 | – | 165.1 | 8 | 25.4 |
| 2.1/2″ | 244.5 | 41.3 | 104.8 | 123.9 | 104.8 | 73.1 | – | 190.5 | 8 | 28.6 |
| 3″ | 266.7 | 47.6 | 127.0 | 133.3 | 117.4 | 88.9 | – | 203.2 | 8 | 31.7 |
| 4″ | 311.1 | 54.0 | 157.2 | 162.0 | 123.8 | 114.3 | – | 241.3 | 8 | 34.9 |
| 5″ | 374.6 | 73 | 185.7 | 196.8 | 155.5 | 141.2 | – | 292.1 | 8 | 41.3 |
| 6″ | 393.7 | 82.5 | 215.9 | 228.6 | 171.4 | 168.4 | – | 317.5 | 12 | 38.1 |

|
SIZE |
D | B | G | M | H1 | A | B1 | K | N | O |
| O.D. | THK. | R.F. DIA | HUB OD | W/N | NECK OD | WNRF ID | PCD | NO. OF HOLES | HOLE DIA. | |
| 1/2″ | 133.3 | 30.1 | 34.9 | 42.9 | 73.0 | 21.3 | – | 88.9 | 4 | 22.2 |
| 3/4″ | 139.7 | 31.7 | 42.9 | 50.8 | 79.4 | 26.7 | – | 85.2 | 4 | 22.2 |
| 1″ | 158.7 | 34.9 | 50.8 | 57.2 | 88.9 | 33.5 | – | 107.9 | 4 | 25.4 |
| 1.1/4″ | 184.1 | 38.1 | 63.5 | 73.2 | 95.2 | 42.2 | – | 130.2 | 4 | 28.6 |
| 1.1/2″ | 203.2 | 44.4 | 73.0 | 79.2 | 111.1 | 48.3 | – | 146.0 | 4 | 31.7 |
| 2″ | 234.9 | 50.8 | 92.1 | 95.3 | 127.0 | 60.4 | – | 171.4 | 8 | 28.6 |
| 2.1/2″ | 266.7 | 57.1 | 104.8 | 114.3 | 142.8 | 73.1 | – | 196.8 | 8 | 31.7 |
| 3″ | 304.8 | 66.6 | 127.0 | 133.4 | 168.3 | 88.9 | – | 228.6 | 8 | 34.9 |
| 4″ | 355.6 | 76.2 | 157.2 | 165.1 | 190.5 | 114.3 | – | 273.0 | 8 | 41.3 |
| 5″ | 419.1 | 92 | 185.7 | 203.2 | 228.6 | 141.2 | – | 323.8 | 8 | 47.6 |
| 6″ | 482.6 | 107.9 | 215.9 | 235 | 273 | 168.4 | – | 368.3 | 8 | 54 |
