
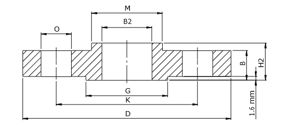
|
SIZE |
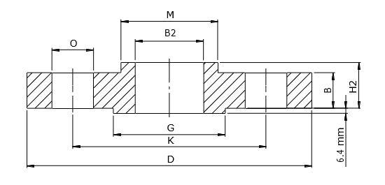
D | B | G | M | H2 | B2 | K | N | O |
| O.D. | THK. | R.F. DIA | HUB OD | SWRF | SWRF ID | PCD | NO. OF HOLES | HOLE DIA. | |
| 1/2″ | 88.9 | 11.1 | 34.9 | 30.2 | 15.9 | 22.35 | 60.3 | 4 | 15.9 |
| 3/4″ | 98.4 | 12.7 | 42.9 | 38.1 | 15.9 | 27.70 | 69.8 | 4 | 15.9 |
| 1″ | 107.9 | 14.3 | 50.8 | 49.2 | 17.5 | 34.54 | 79.4 | 4 | 15.9 |
| 1.1/4″ | 117.5 | 15.9 | 63.5 | 58.7 | 20.6 | 43.20 | 88.9 | 4 | 15.9 |
| 1.1/2″ | 127.0 | 17.5 | 73.0 | 65.1 | 22.2 | 49.50 | 98.4 | 4 | 15.9 |
| 2″ | 152.4 | 19.1 | 92.1 | 77.8 | 25.4 | 62.00 | 120.6 | 4 | 19.0 |
| 2.1/2″ | 177.8 | 22.2 | 104.8 | 90.5 | 28.6 | 74.70 | 139.7 | 4 | 19.0 |
| 3″ | 190.5 | 23.8 | 127.0 | 107.9 | 30.2 | 90.70 | 152.4 | 4 | 19.0 |
| 3.1/2″ | 215.9 | 23.8 | 139.7 | 122.2 | 31.7 | 103.50 | 177.8 | 8 | 19.0 |
| 4″ | 228.6 | 23.8 | 157.2 | 134.9 | 33.3 | 116.00 | 190.5 | 8 | 19.0 |
| 5″ | 254 | 23.8 | 185.7 | 163.5 | 36.5 | 143.8 | 215.9 | 8 | 22.2 |
| 6″ | 279.4 | 25.4 | 215.9 | 192.1 | 39.7 | 170.5 | 241.3 | 8 | 22.2 |

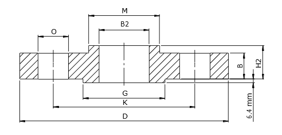
|
SIZE |
D | B | G | M | H2 | B2 | K | N | O |
| O.D. | THK. | R.F. DIA | HUB OD | SWRF | SWRF ID | PCD | NO. OF HOLES | HOLE DIA. | |
| 1/2″ | 95.2 | 14.3 | 34.9 | 38.1 | 22.2 | 22.35 | 66.7 | 4 | 15.9 |
| 3/4″ | 117.5 | 15.9 | 42.9 | 47.6 | 25.4 | 27.70 | 82.5 | 4 | 19.0 |
| 1″ | 123.8 | 17.5 | 50.8 | 54.0 | 26.9 | 34.54 | 88.9 | 4 | 19.0 |
| 1.1/4″ | 133.3 | 19.0 | 63.5 | 63.5 | 26.9 | 43.20 | 98.4 | 4 | 19.0 |
| 1.1/2″ | 155.6 | 20.6 | 73.0 | 69.8 | 30.2 | 49.50 | 114.3 | 4 | 22.2 |
| 2″ | 165.1 | 22.2 | 92.1 | 84.1 | 33.3 | 62.00 | 127.0 | 8 | 19.0 |
| 2.1/2″ | 190.5 | 25.4 | 104.8 | 100.0 | 38.1 | 74.70 | 149.2 | 8 | 22.2 |
| 3″ | 209.5 | 28.6 | 127.0 | 117.5 | 42.9 | 90.70 | 168.3 | 8 | 22.2 |
| 3.1/2″ | 228.6 | 30.2 | 139.7 | 133.4 | 44.4 | 103.50 | 184.1 | 8 | 22.2 |
| 4″ | 254.0 | 31.8 | 157.2 | 146.1 | 47.6 | 116.00 | 200.0 | 8 | 22.2 |
| 5″ | 279.4 | 34.9 | 185.7 | 177.8 | 50.8 | 143.8 | 234.9 | 8 | 22.2 |
| 6″ | 317.5 | 36.5 | 215.9 | 206.4 | 52.4 | 170.5 | 269.9 | 12 | 22.2 |

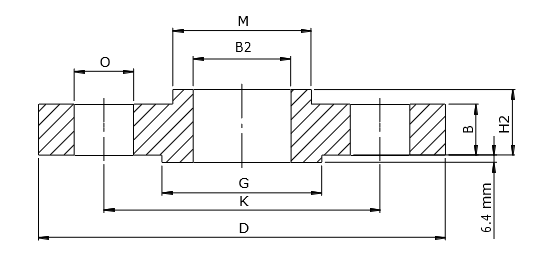
|
SIZE |
D | B | G | M | H2 | B2 | K | N | O |
| O.D. | THK. | R.F. DIA | HUB OD | SWRF | SWRF ID | PCD | NO. OF HOLES | HOLE DIA. | |
| 1/2″ | 95.2 | 14.3 | 34.9 | 38.1 | 22.2 | 22.35 | 66.7 | 4 | 15.9 |
| 3/4″ | 117.5 | 15.9 | 42.9 | 47.6 | 25.4 | 27.70 | 82.5 | 4 | 19.0 |
| 1″ | 123.8 | 17.5 | 50.8 | 54.0 | 26.9 | 34.54 | 88.9 | 4 | 19.0 |
| 1.1/4″ | 133.3 | 20.6 | 63.5 | 63.5 | 28.6 | 43.20 | 98.4 | 4 | 19.0 |
| 1.1/2″ | 155.6 | 22.4 | 73.0 | 69.8 | 31.7 | 49.50 | 114.3 | 4 | 22.2 |
| 2″ | 165.1 | 25.4 | 92.1 | 84.1 | 36.5 | 62.00 | 127.0 | 8 | 19.0 |
| 2.1/2″ | 190.5 | 28.6 | 104.8 | 100.0 | 41.3 | 74.70 | 149.2 | 8 | 22.2 |
| 3″ | 209.5 | 31.8 | 127.0 | 117.5 | 46.0 | 90.70 | 168.3 | 8 | 22.2 |
| 3.1/2″ | 228.5 | 34.9 | 139.7 | 133.4 | 49.2 | 103.50 | 184.1 | 8 | 25.4 |
| 4″ | 273.5 | 38.1 | 157.2 | 152.4 | 53.9 | 116.00 | 215.9 | 8 | 25.4 |
| 5″ | 330.2 | 44.5 | 185.7 | 188.9 | 60.3 | 143.8 | 266.7 | 8 | 28.6 |
| 6″ | 335.6 | 47.8 | 215.9 | 222.3 | 66.7 | 170.5 | 292.1 | 12 | 28.6 |

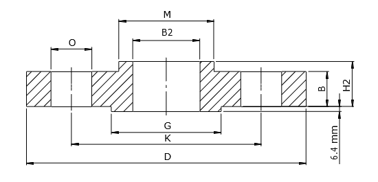
|
SIZE |
D | B | G | M | H2 | B2 | K | N | O |
| O.D. | THK. | R.F. DIA | HUB OD | SWRF | SWRF ID | PCD | NO. OF HOLES | HOLE DIA. | |
| 1/2″ | 120.6 | 22.2 | 34.9 | 38.1 | 31.7 | 22.35 | 82.5 | 4 | 22.2 |
| 3/4″ | 130.2 | 25.4 | 42.9 | 44.4 | 34.9 | 27.70 | 88.9 | 4 | 22.2 |
| 1″ | 149.2 | 28.6 | 50.8 | 52.3 | 41.3 | 34.54 | 101.6 | 4 | 25.4 |
| 1.1/4″ | 158.7 | 28.6 | 63.5 | 63.5 | 41.3 | 43.20 | 111.1 | 4 | 25.4 |
| 1.1/2″ | 177.8 | 31.7 | 73.0 | 69.8 | 44.4 | 49.50 | 123.8 | 4 | 28.6 |
| 2″ | 215.9 | 38.1 | 92.1 | 104.6 | 57.2 | 62.00 | 165.1 | 8 | 25.4 |
| 2.1/2″ | 244.5 | 41.3 | 104.8 | 123.9 | 63.5 | 74.70 | 190.5 | 8 | 28.6 |
| 3″ | 241.3 | 38.1 | 127.0 | 133.3 | 54.0 | 90.70 | 190.5 | 8 | 25.4 |
| 4″ | 292.1 | 44.5 | 157.2 | 162.0 | 69.8 | 103.50 | 234.9 | 8 | 31.7 |
| 5″ | 349.2 | 50.8 | 185.7 | 196.8 | 79.4 | 116 | 279.4 | 8 | 34.9 |
| 6″ | 381 | 55.6 | 215.9 | 228.6 | 85.7 | 143.8 | 317.5 | 12 | 31.7 |

|
SIZE |
D | B | G | M | H2 | B2 | K | N | O |
| O.D. | THK. | R.F. DIA | HUB OD | SWRF | SWRF ID | PCD | NO. OF HOLES | HOLE DIA. | |
| 1/2″ | 120.6 | 22.2 | 34.9 | 38.1 | 31.7 | 22.30 | 82.5 | 4 | 22.2 |
| 3/4″ | 130.2 | 25.4 | 42.9 | 44.4 | 34.9 | 27.70 | 88.9 | 4 | 22.2 |
| 1″ | 149.2 | 28.6 | 50.8 | 52.3 | 41.3 | 34.54 | 101.6 | 4 | 25.4 |
| 1.1/4″ | 158.7 | 28.6 | 63.5 | 63.5 | 41.3 | 43.20 | 111.1 | 4 | 25.4 |
| 1.1/2″ | 177.8 | 31.7 | 73.0 | 69.8 | 44.4 | 49.50 | 123.8 | 4 | 28.6 |
| 2″ | 215.9 | 38.1 | 92.1 | 104.6 | 57.2 | 62.00 | 165.1 | 8 | 25.4 |
| 2.1/2″ | 244.5 | 41.3 | 104.8 | 123.9 | 63.5 | 74.70 | 190.5 | 8 | 28.6 |
| 3″ | 266.7 | 47.6 | 127.0 | 133.3 | 73.0 | 90.70 | 203.2 | 8 | 31.7 |
| 4″ | 311.1 | 54.0 | 157.2 | 162.0 | 90.5 | 103.50 | 241.3 | 8 | 34.9 |
| 5″ | 374.6 | 73 | 185.7 | 196.8 | 104.8 | 116 | 292.1 | 8 | 41.3 |
| 6″ | 393.7 | 82.5 | 215.9 | 228.6 | 119.1 | 143.8 | 317.5 | 12 | 38.1 |

|
SIZE |
D | B | G | M | H2 | B2 | K | N | O |
| O.D. | THK. | R.F. DIA | HUB OD | SWRF | SWRF ID | PCD | NO. OF HOLES | HOLE DIA. | |
| 1/2″ | 133.3 | 30.1 | 34.9 | 42.9 | 39.7 | 22.30 | 88.9 | 4 | 22.2 |
| 3/4″ | 139.7 | 31.7 | 42.9 | 50.8 | 42.9 | 27.70 | 85.2 | 4 | 22.2 |
| 1″ | 158.7 | 34.9 | 50.8 | 57.2 | 47.6 | 34.54 | 107.9 | 4 | 25.4 |
| 1.1/4″ | 184.1 | 38.1 | 63.5 | 73.2 | 52.4 | 43.20 | 130.2 | 4 | 28.6 |
| 1.1/2″ | 203.2 | 44.4 | 73.0 | 79.2 | 60.3 | 49.50 | 146.0 | 4 | 31.7 |
| 2″ | 234.9 | 50.8 | 92.1 | 95.3 | 69.8 | 62.00 | 171.4 | 8 | 28.6 |
| 2.1/2″ | 266.7 | 57.1 | 104.8 | 114.3 | 79.4 | 74.70 | 196.8 | 8 | 31.7 |
| 3″ | 304.8 | 66.6 | 127.0 | 133.4 | 92.1 | 90.70 | 228.6 | 8 | 34.9 |
| 4″ | 355.6 | 76.2 | 157.2 | 165.1 | 107.9 | 103.50 | 273.0 | 8 | 41.3 |
| 5″ | 419.1 | 92 | 185.7 | 203.2 | 130.2 | 116 | 323.8 | 8 | 47.6 |
| 6″ | 482.6 | 107.9 | 215.9 | 235 | 152.4 | 143.8 | 368.3 | 8 | 54 |
