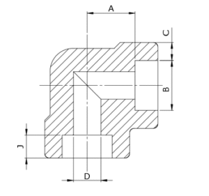
90 ELBOW 3000#

| NOM PIPE SIZE | SOCKET BORE DIA B | BORE DIA OF FITTING D | SOCKET WALL THICKNESS C | DEPTH OF SOCKET MIN J | CENTER TO BOTTOM OF SOCKET A | PART No. | |
|---|---|---|---|---|---|---|---|
| 3000 | 3000 | 3000 | |||||
| Ave. | Min. | ||||||
| 1/8" SW | 10.9 | 7.6 | 3.2 | 3.2 | 10 | 12 | 2SWL3K# |
| 10.65 | 6.1 | 10 | |||||
| 1/4" SW | 14.35 | 10 | 3.8 | 3.3 | 10 | 12 | 4SWL3K# |
| 14.1 | 8.5 | 10 | |||||
| 3/8" SW | 17.8 | 13.3 | 4 | 3.5 | 10 | 15 | 6SWL3K# |
| 17.55 | 11.8 | 12 | |||||
| 1/2" SW | 21.95 | 16.6 | 4.65 | 4.1 | 10 | 17 | 8SWL3K# |
| 21.7 | 15 | 14 | |||||
| 3/4" SW | 27.3 | 21.7 | 4.9 | 4.25 | 13 | 21 | 12SWL3K# |
| 27.05 | 20.2 | 18 | |||||
| 1" SW | 34.05 | 27.4 | 5.7 | 5 | 13 | 24 | 16SWL3K# |
| 33.8 | 25.9 | 20 | |||||
| 1.1/4" SW | 42.8 | 35.8 | 6.05 | 5.3 | 13 | 29 | 20SWL3K# |
| 42.55 | 34.3 | 25 | |||||
| 1.1/2" SW | 48.9 | 41.7 | 6.35 | 5.55 | 13 | 34 | 24SWL3K# |
| 48.65 | 40.1 | 30 | |||||
| 2" SW | 61.35 | 53.5 | 6.95 | 6.05 | 16 | 40 | 32SWL3K# |
| 61.1 | 51.7 | 36 | |||||
| 2.1/2" SW | 74.2 | 64.2 | 8.75 | 7.65 | 16 | 44 | 36SWL3K# |
| 73.8 | 61.2 | 39 | |||||
| 3" SW | 90.15 | 79.5 | 9.5 | 8.3 | 16 | 60 | 48SWL3K# |
| 89.8 | 79.4 | 55 | |||||
| 4" SW | 115.8 | 103.8 | 10.7 | 9.35 | 19 | 69 | 64SWL3K# |
| 115.45 | 100.7 | 64 | |||||
90 ELBOW 6000#

| NOM PIPE SIZE | SOCKET BORE DIA | BORE DIA OF FITTING D | SOCKET WALL THICKNESS C | DEPTH OF SOCKET MIN J | CENTER TOBOTTOM OF SOCKET A | PART No. | |
|---|---|---|---|---|---|---|---|
| 6000 | 6000 | 6000 | |||||
| B | Ave. | Min. | |||||
| 1/8" SW | 10.9 | 4.8 | 3.95 | 3.45 | 10 | 12 | 2SWL6K# |
| 10.65 | 3.2 | 10 | |||||
| 1/4" SW | 14.35 | 7.1 | 4.6 | 4 | 10 | 17 | 4SWL6K# |
| 14.1 | 5.6 | 13 | |||||
| 3/8" SW | 17.8 | 9.9 | 5.05 | 4.35 | 10 | 17 | 6SWL6K# |
| 17.55 | 8.4 | 14 | |||||
| 1/2" SW | 21.95 | 12.5 | 5.95 | 5.2 | 10 | 21 | 8SWL6K# |
| 21.7 | 11 | 18 | |||||
| 3/4" SW | 27.3 | 16.3 | 6.95 | 6.05 | 13 | 24 | 12SWL6K# |
| 27.05 | 14.8 | 21 | |||||
| 1" SW | 34.05 | 21.5 | 7.9 | 6.95 | 13 | 29 | 16SWL6K# |
| 33.8 | 19.9 | 25 | |||||
| 1.1/4" SW | 42.8 | 30.2 | 7.9 | 6.95 | 13 | 34 | 20SWL6K# |
| 42.55 | 28.7 | 30 | |||||
| 1.1/2" SW | 48.9 | 34.7 | 8.9 | 7.8 | 13 | 40 | 24SWL6K# |
| 48.65 | 33.2 | 36 | |||||
| 2" SW | 61.35 | 43.6 | 10.9 | 9.5 | 16 | 43 | 32SWL6K# |
| 61.1 | 42.1 | 39 | |||||
| 2.1/2" SW | 74.2 | - | - | - | 16 | - | 36SWL6K# |
| 73.8 | |||||||
| 3" SW | 90.15 | - | - | - | 16 | - | 48SWL6K# |
| 89.8 | |||||||
| 4" SW | 115.8 | - | - | - | 19 | - | 64SWL6K# |
| 115.45 | |||||||
90 ELBOW 9000#

| NOM PIPE SIZE | SOCKET BORE DIA | BORE DIA OF FITTING D | SOCKET WALL THICKNESS C | DEPTH OF SOCKET MIN J | CENTER TOBOTTOM OF SOCKET A | PART No. | |
|---|---|---|---|---|---|---|---|
| 9000 | 9000 | 9000 | |||||
| B | Ave. | Min. | |||||
| 1/8" SW | 10.9 | - | - | - | 10 | - | 2SWL9K# |
| 10.65 | - | - | |||||
| 1/4" SW | 14.35 | - | - | - | 10 | - | 4SWL9K# |
| 14.1 | - | - | |||||
| 3/8" SW | 17.8 | - | - | - | 10 | - | 6SWL9K# |
| 17.55 | - | - | |||||
| 1/2" SW | 21.95 | 7.2 | 9.35 | 8.2 | 10 | 27 | 8SWL9K# |
| 21.7 | 5.6 | 24 | |||||
| 3/4" SW | 27.3 | 11.8 | 9.8 | 8.55 | 13 | 30 | 12SWL9K# |
| 27.05 | 10.3 | 27 | |||||
| 1" SW | 34.05 | 16 | 11.4 | 9.95 | 13 | 34 | 16SWL9K# |
| 33.8 | 14.5 | 30 | |||||
| 1.1/4" SW | 42.8 | 23.5 | 12.15 | 10.6 | 13 | 37 | 20SWL9K# |
| 42.55 | 22 | 33 | |||||
| 1.1/2" SW | 48.9 | 28.7 | 12.7 | 11.15 | 13 | 40 | 24SWL9K# |
| 48.65 | 27.2 | 36 | |||||
| 2" SW | 61.35 | 38.9 | 13.85 | 12.15 | 16 | 56 | 32SWL9K# |
| 61.1 | 37.4 | 52 | |||||
| 2.1/2" SW | 74.2 | - | - | - | 16 | - | 36SWL9K# |
| 73.8 | - | - | |||||
| 3" SW | 90.15 | - | - | - | 16 | - | 48SWL9K# |
| 89.8 | - | - | |||||
| 4" SW | 115.8 | - | - | - | 19 | - | 64SWL9K# |
| 115.45 | - | - | |||||
