3000#

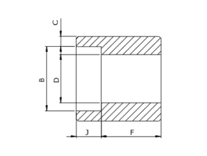
| NOM PIPE SIZE | SOCKET BORE DIA B | BORE DIA OF FITTING D | SOCKET WALL THICKNESS C | DEPTH OF SOCKET MIN J | LAYING LENGTHS & COUPLING F | PART No. | |
|---|---|---|---|---|---|---|---|
| 3000 | 3000 | 3000 | |||||
| Ave. | Min. | ||||||
| 1/8" SW | 10.9 | 7.6 | 3.2 | 3.2 | 10 | 17 | 2SWHCG3K# |
| 10.65 | 6.1 | 15 | |||||
| 1/4" SW | 14.35 | 10 | 3.8 | 3.3 | 10 | 17 | 4SWHCG3K# |
| 14.1 | 8.5 | 15 | |||||
| 3/8" SW | 17.8 | 13.3 | 4 | 3.5 | 10 | 19 | 6SWHCG3K# |
| 17.55 | 11.8 | 16 | |||||
| 1/2" SW | 21.95 | 16.6 | 4.65 | 4.1 | 10 | 24 | 8SWHCG3K# |
| 21.7 | 15 | 21 | |||||
| 3/4" SW | 27.3 | 21.7 | 4.9 | 4.25 | 13 | 25 | 12SWHCG3K# |
| 27.05 | 20.2 | 22 | |||||
| 1" SW | 34.05 | 27.4 | 5.7 | 5 | 13 | 31 | 16SWHCG3K# |
| 33.8 | 25.9 | 27 | |||||
| 1.1/4" SW | 42.8 | 35.8 | 6.05 | 5.3 | 13 | 32 | 20SWHCG3K# |
| 42.55 | 34.3 | 28 | |||||
| 1.1/2" SW | 48.9 | 41.7 | 6.35 | 5.55 | 13 | 34 | 24SWHCG3K# |
| 48.65 | 40.1 | 30 | |||||
| 2" SW | 61.35 | 53.5 | 6.95 | 6.05 | 16 | 43 | 32SWHCG3K# |
| 61.1 | 51.7 | 49 | |||||
| 2.1/2" SW | 74.2 | 64.2 | 8.75 | 7.65 | 16 | 45 | 36SWHCG3K# |
| 73.8 | 61.2 | 40 | |||||
| 3" SW | 90.15 | 79.5 | 9.5 | 8.3 | 16 | 47 | 48SWHCG3K# |
| 89.8 | 79.4 | 42 | |||||
| 4" SW | 115.8 | 103.8 | 10.7 | 9.35 | 19 | 50 | 64SWHCG3K# |
| 115.45 | 100.7 | 45 | |||||
6000#

| NOM PIPE SIZE | SOCKET BORE DIA B | BORE DIA OF FITTING D | SOCKET WALL THICKNESS C | DEPTH OF SOCKET MIN J | LAYING LENGTHS & COUPLING F | PART No. | |
|---|---|---|---|---|---|---|---|
| 6000 | 6000 | 6000 | |||||
| 1/8" SW | 10.9 | 4.8 | 3.95 | 3.45 | 10 | 17 | 2SWHCG6K# |
| 10.65 | 3.2 | 15 | |||||
| 1/4" SW | 14.35 | 7.1 | 4.6 | 4 | 10 | 17 | 4SWHCG6K# |
| 14.1 | 5.6 | 15 | |||||
| 3/8" SW | 17.8 | 9.9 | 5.05 | 4.35 | 10 | 19 | 6SWHCG6K# |
| 17.55 | 8.4 | 16 | |||||
| 1/2" SW | 21.95 | 12.5 | 5.95 | 5.2 | 10 | 24 | 8SWHCG6K# |
| 21.7 | 11 | 21 | |||||
| 3/4" SW | 27.3 | 16.3 | 6.95 | 6.05 | 13 | 25 | 12SWHCG6K# |
| 27.05 | 14.8 | 22 | |||||
| 1" SW | 34.05 | 21.5 | 7.9 | 6.95 | 13 | 31 | 16SWHCG6K# |
| 33.8 | 19.9 | 27 | |||||
| 1.1/4" SW | 42.8 | 30.2 | 7.9 | 6.95 | 13 | 32 | 20SWHCG6K# |
| 42.55 | 28.7 | 28 | |||||
| 1.1/2" SW | 48.9 | 34.7 | 8.9 | 7.8 | 13 | 34 | 24SWHCG6K# |
| 48.65 | 33.2 | 30 | |||||
| 2" SW | 61.35 | 43.6 | 10.9 | 9.5 | 16 | 43 | 32SWHCG6K# |
| 61.1 | 42.1 | 49 | |||||
| 2.1/2" SW | 74.2 | - | - | - | 16 | 45 | 36SWHCG6K# |
| 73.8 | 40 | ||||||
| 3" SW | 90.15 | - | - | - | 16 | 47 | 48SWHCG6K# |
| 89.8 | 42 | ||||||
| 4" SW | 115.8 | - | - | - | 19 | 50 | 64SWHCG6K# |
| 115.45 | 45 | ||||||
9000#

| NOM PIPE SIZE | SOCKET BORE DIA B | BORE DIA OF FITTING D | SOCKET WALL THICKNESS C | DEPTH OF SOCKET MIN J | LAYING LENGTHS & COUPLING F | PART No. | |
|---|---|---|---|---|---|---|---|
| 9000 | 9000 | 9000 | |||||
| Ave. | Min. | ||||||
| 1/8" SW | 10.9 | - | - | - | 10 | 17 | 2SWHCG9K# |
| 10.65 | - | 15 | |||||
| 1/4" SW | 14.35 | - | - | - | 10 | 17 | 4SWHCG9K# |
| 14.1 | - | 15 | |||||
| 3/8" SW | 17.8 | - | - | - | 10 | 19 | 6SWHCG9K# |
| 17.55 | - | 16 | |||||
| 1/2" SW | 21.95 | 7.2 | 9.35 | 8.2 | 10 | 24 | 8SWHCG9K# |
| 21.7 | 5.6 | 21 | |||||
| 3/4" SW | 27.3 | 11.8 | 9.8 | 8.55 | 13 | 25 | 12SWHCG9K# |
| 27.05 | 10.3 | 22 | |||||
| 1" SW | 34.05 | 16 | 11.4 | 9.95 | 13 | 31 | 16SWHCG9K# |
| 33.8 | 14.5 | 27 | |||||
| 1.1/4" SW | 42.8 | 23.5 | 12.15 | 10.6 | 13 | 32 | 20SWHCG9K# |
| 42.55 | 22 | 28 | |||||
| 1.1/2" SW | 48.9 | 28.7 | 12.7 | 11.15 | 13 | 34 | 24SWHCG9K# |
| 48.65 | 27.2 | 30 | |||||
| 2" SW | 61.35 | 38.9 | 13.85 | 12.15 | 16 | 43 | 32SWHCG9K# |
| 61.1 | 37.4 | 49 | |||||
| 2.1/2" SW | 74.2 | - | - | - | 16 | 45 | 36SWHCG9K# |
| 73.8 | - | 40 | |||||
| 3" SW | 90.15 | - | - | - | 16 | 47 | 48SWHCG9K# |
| 89.8 | - | 42 | |||||
| 4" SW | 115.8 | - | - | - | 19 | 50 | 64SWHCG9K# |
| 115.45 | - | 45 | |||||
