
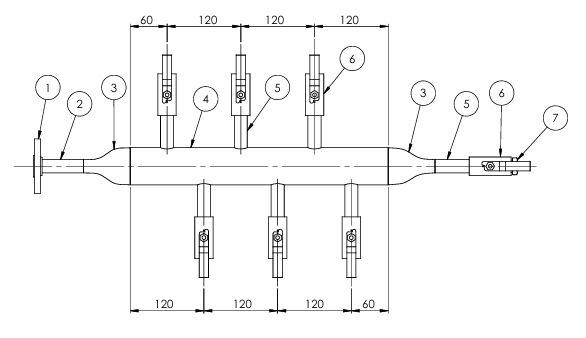
WESMEC PART NO. :- 6W8F8BV2PS4
BILL OF MATERIAL
| NO. | QTY. | PART | RATING |
| 1 | 1 | FLANGE 1/2″ SWRF | 150# |
| 2 | 1 | NIPPLE 1/2″ PL X PL, 100 mm lg. SEAMLESS | SCH. 40 |
| 3 | 2 | REDUCER 2″ NB X 1/2″ NB SEAMLESS | SCH. 40 |
| 4 | 1 | PIPE 2″ NB | SCH. 40 |
| 5 | 7 | NIPPLE 1/2″ PL X 1/2″ NPT(M), 75 mm Lg. SEAMLESS | SCH. 40 |
| 6 | 7 | BALL VALVE 1/2″ NPT(F) | 1000 PSI |
| 7 | 1 | PLUG 1/2″ NPT(M) | 3000# |
| 8 | 2 | U – CLAMP | STD. |
NOTE :- NEEDLE VALVE SHALL BE PROVIDED FOR OUTLET CONNECTION AS PER REQUIREMENT

WESMEC PART NO. :- 8W8F8BV2PS4
BILL OF MATERIAL
| NO. | QTY. | PART | RATING |
| 1 | 1 |
FLANGE 1/2″ SWRF |
150# |
| 2 | 1 |
NIPPLE 1/2″ PL X PL, 100 mm lg. SEAMLESS |
SCH. 40 |
| 3 | 2 |
REDUCER 2″ NB X 1/2″ NB SEAMLESS |
SCH. 40 |
| 4 | 1 |
PIPE 2″ NB |
SCH. 40 |
| 5 | 9 |
NIPPLE 1/2″ PL X 1/2″ NPT(M), 75 mm Lg. SEAMLESS |
SCH. 40 |
| 6 | 9 |
BALL VALVE 1/2″ NPT(F) |
1000 PSI |
| 7 | 1 |
PLUG 1/2″ NPT(M) |
3000# |
| 8 | 2 |
U – CLAMP |
STD. |
NOTE :- NEEDLE VALVE SHALL BE PROVIDED FOR OUTLET CONNECTION AS PER REQUIREMENT.

WESMEC PART NO. :- 10W8F8BV2PS4
BILL OF MATERIAL
| NO. | QTY. | PART | RATING |
| 1 | 1 |
FLANGE 1/2″ SWRF |
150# |
| 2 | 1 |
NIPPLE 1/2″ PL X PL, 100 mm lg. SEAMLESS |
SCH. 40 |
| 3 | 2 |
REDUCER 2″ NB X 1/2″ NB SEAMLESS |
SCH. 40 |
| 4 | 1 |
PIPE 2″ NB |
SCH. 40 |
| 5 | 11 |
NIPPLE 1/2″ PL X 1/2″ NPT(M), 75 mm Lg. SEAMLESS |
SCH. 40 |
| 6 | 11 |
BALL VALVE 1/2″ NPT(F) |
1000 PSI |
| 7 | 1 |
PLUG 1/2″ NPT(M) |
3000# |
| 8 | 2 |
U – CLAMP |
STD. |
NOTE :- NEEDLE VALVE SHALL BE PROVIDED FOR OUTLET CONNECTION AS PER REQUIREMENT.

WESMEC PART NO. :- 12W8F8BV2PS4
BILL OF MATERIAL
| NO. | QTY. | PART | RATING |
| 1 | 1 |
FLANGE 1/2″ SWRF |
150# |
| 2 | 1 |
NIPPLE 1/2″ PL X PL, 100 mm lg. SEAMLESS |
SCH. 40 |
| 3 | 2 |
REDUCER 2″ NB X 1/2″ NB SEAMLESS |
SCH. 40 |
| 4 | 1 |
PIPE 2″ NB |
SCH. 40 |
| 5 | 13 |
NIPPLE 1/2″ PL X 1/2″ NPT(M), 75 mm Lg. SEAMLESS |
SCH. 40 |
| 6 | 13 |
BALL VALVE 1/2″ NPT(F) |
1000 PSI |
| 7 | 1 |
PLUG 1/2″ NPT(M) |
3000# |
| 8 | 2 |
U – CLAMP |
STD. |
NOTE :- NEEDLE VALVE SHALL BE PROVIDED FOR OUTLET CONNECTION AS PER REQUIREMENT.

WESMEC PART NO. :- 14W8F8BV2PS4
BILL OF MATERIAL
| NO. | QTY. | PART | RATING |
| 1 | 1 |
FLANGE 1/2″ SWRF |
150# |
| 2 | 1 |
NIPPLE 1/2″ PL X PL, 100 mm lg. SEAMLESS |
SCH. 40 |
| 3 | 2 |
REDUCER 2″ NB X 1/2″ NB SEAMLESS |
SCH. 40 |
| 4 | 1 |
PIPE 2″ NB |
SCH. 40 |
| 5 | 15 |
NIPPLE 1/2″ PL X 1/2″ NPT(M), 75 mm Lg. SEAMLESS |
SCH. 40 |
| 6 | 15 |
BALL VALVE 1/2″ NPT(F) |
1000 PSI |
| 7 | 1 |
PLUG 1/2″ NPT(M) |
3000# |
| 8 | 2 |
U – CLAMP |
STD. |
NOTE :- NEEDLE VALVE SHALL BE PROVIDED FOR OUTLET CONNECTION AS PER REQUIREMENT.

WESMEC PART NO. :- 16W8F8BV2PS4
BILL OF MATERIAL
| NO. | QTY. | PART | RATING |
| 1 | 1 |
FLANGE 1/2″ SWRF |
150# |
| 2 | 1 |
NIPPLE 1/2″ PL X PL, 100 mm lg. SEAMLESS |
SCH. 40 |
| 3 | 2 |
REDUCER 2″ NB X 1/2″ NB SEAMLESS |
SCH. 40 |
| 4 | 1 |
PIPE 2″ NB |
SCH. 40 |
| 5 | 17 |
NIPPLE 1/2″ PL X 1/2″ NPT(M), 75 mm Lg. SEAMLESS |
SCH. 40 |
| 6 | 17 |
BALL VALVE 1/2″ NPT(F) |
1000 PSI |
| 7 | 1 |
PLUG 1/2″ NPT(M) |
3000# |
| 8 | 2 |
U – CLAMP |
STD. |
NOTE :- NEEDLE VALVE SHALL BE PROVIDED FOR OUTLET CONNECTION AS PER REQUIREMENT.

WESMEC PART NO. :- 6W8F4BV2PS4
BILL OF MATERIAL
| NO. | QTY. | PART | RATING |
| 1 | 1 |
FLANGE 1/2″ SWRF |
150# |
| 2 | 1 |
NIPPLE 1/2″ PL X PL, 100 mm lg. SEAMLESS |
SCH. 40 |
| 3 | 2 |
REDUCER 2″ NB X 1/2″ NB SEAMLESS |
SCH. 40 |
| 4 | 1 |
PIPE 2″ NB |
SCH. 40 |
| 5 | 6 |
NIPPLE 1/4″ PL X 1/4″ NPT(M), 75 mm Lg. SEAMLESS |
SCH. 40 |
| 6 | 6 |
BALL VALVE 1/4″ NPT(F) |
1000 PSI |
| 7 | 1 |
NIPPLE 1/2″ PL X 1/2″ NPT(M), 75 mm lg. SEAMLESS |
SCH. 40 |
| 8 | 1 |
BALL VALVE 1/2″ NPT(F) |
1000 PSI |
| 9 | 1 |
PLUG 1/2″ NPT(M) |
3000# |
| 10 | 2 |
U – CLAMP |
STD. |
NOTE :- NEEDLE VALVE SHALL BE PROVIDED FOR OUTLET CONNECTION AS PER REQUIREMENT.

WESMEC PART NO. :- 8W8F4BV2PS4
BILL OF MATERIAL
| NO. | QTY. | PART | RATING |
| 1 | 1 |
FLANGE 1/2″ SWRF |
150# |
| 2 | 1 |
NIPPLE 1/2″ PL X PL, 100 mm lg. SEAMLESS |
SCH. 40 |
| 3 | 2 |
REDUCER 2″ NB X 1/2″ NB SEAMLESS |
SCH. 40 |
| 4 | 1 |
PIPE 2″ NB |
SCH. 40 |
| 5 | 8 |
NIPPLE 1/4″ PL X 1/4″ NPT(M), 75 mm Lg. SEAMLESS |
SCH. 40 |
| 6 | 8 |
BALL VALVE 1/4″ NPT(F) |
1000 PSI |
| 7 | 1 |
NIPPLE 1/2″ PL X 1/2″ NPT(M), 75 mm lg. SEAMLESS |
SCH. 40 |
| 8 | 1 |
BALL VALVE 1/2″ NPT(F) |
1000 PSI |
| 9 | 1 |
PLUG 1/2″ NPT(M) |
3000# |
| 10 | 2 |
U – CLAMP |
STD. |
NOTE :- NEEDLE VALVE SHALL BE PROVIDED FOR OUTLET CONNECTION AS PER REQUIREMENT.

WESMEC PART NO. :- 10W8F4BV2PS4
BILL OF MATERIAL
| NO. | QTY. | PART | RATING |
| 1 | 1 |
FLANGE 1/2″ SWRF |
150# |
| 2 | 1 |
NIPPLE 1/2″ PL X PL, 100 mm lg. SEAMLESS |
SCH. 40 |
| 3 | 2 |
REDUCER 2″ NB X 1/2″ NB SEAMLESS |
SCH. 40 |
| 4 | 1 |
PIPE 2″ NB |
SCH. 40 |
| 5 | 10 |
NIPPLE 1/4″ PL X 1/4″ NPT(M), 75 mm Lg. SEAMLESS |
SCH. 40 |
| 6 | 10 |
BALL VALVE 1/4″ NPT(F) |
1000 PSI |
| 7 | 1 |
NIPPLE 1/2″ PL X 1/2″ NPT(M), 75 mm lg. SEAMLESS |
SCH. 40 |
| 8 | 1 |
BALL VALVE 1/2″ NPT(F) |
1000 PSI |
| 9 | 1 |
PLUG 1/2″ NPT(M) |
3000# |
| 10 | 2 |
U – CLAMP |
STD. |
NOTE :- NEEDLE VALVE SHALL BE PROVIDED FOR OUTLET CONNECTION AS PER REQUIREMENT.

WESMEC PART NO. :- 12W8F4BV2PS4
BILL OF MATERIAL
| NO. | QTY. | PART | RATING |
| 1 | 1 |
FLANGE 1/2″ SWRF |
150# |
| 2 | 1 |
NIPPLE 1/2″ PL X PL, 100 mm lg. SEAMLESS |
SCH. 40 |
| 3 | 2 |
REDUCER 2″ NB X 1/2″ NB SEAMLESS |
SCH. 40 |
| 4 | 1 |
PIPE 2″ NB |
SCH. 40 |
| 5 | 12 |
NIPPLE 1/4″ PL X 1/4″ NPT(M), 75 mm Lg. SEAMLESS |
SCH. 40 |
| 6 | 12 |
BALL VALVE 1/4″ NPT(F) |
1000 PSI |
| 7 | 1 |
NIPPLE 1/2″ PL X 1/2″ NPT(M), 75 mm lg. SEAMLESS |
SCH. 40 |
| 8 | 1 |
BALL VALVE 1/2″ NPT(F) |
1000 PSI |
| 9 | 1 |
PLUG 1/2″ NPT(M) |
3000# |
| 10 | 2 |
U – CLAMP |
STD. |
NOTE :- NEEDLE VALVE SHALL BE PROVIDED FOR OUTLET CONNECTION AS PER REQUIREMENT.

WESMEC PART NO. :- 14W8F4BV2PS4
BILL OF MATERIAL
| NO. | QTY. | PART | RATING |
| 1 | 1 |
FLANGE 1/2″ SWRF |
150# |
| 2 | 1 |
NIPPLE 1/2″ PL X PL, 100 mm lg. SEAMLESS |
SCH. 40 |
| 3 | 2 |
REDUCER 2″ NB X 1/2″ NB SEAMLESS |
SCH. 40 |
| 4 | 1 |
PIPE 2″ NB |
SCH. 40 |
| 5 | 14 |
NIPPLE 1/4″ PL X 1/4″ NPT(M), 75 mm Lg. SEAMLESS |
SCH. 40 |
| 6 | 14 |
BALL VALVE 1/4″ NPT(F) |
1000 PSI |
| 7 | 1 |
NIPPLE 1/2″ PL X 1/2″ NPT(M), 75 mm lg. SEAMLESS |
SCH. 40 |
| 8 | 1 |
BALL VALVE 1/2″ NPT(F) |
1000 PSI |
| 9 | 1 |
PLUG 1/2″ NPT(M) |
3000# |
| 10 | 2 |
U – CLAMP |
STD. |
NOTE :- NEEDLE VALVE SHALL BE PROVIDED FOR OUTLET CONNECTION AS PER REQUIREMENT.

WESMEC PART NO. :- 16W8F4BV2PS4
BILL OF MATERIAL
| NO. | QTY. | PART | RATING |
| 1 | 1 |
FLANGE 1/2″ SWRF |
150# |
| 2 | 1 |
NIPPLE 1/2″ PL X PL, 100 mm lg. SEAMLESS |
SCH. 40 |
| 3 | 2 |
REDUCER 2″ NB X 1/2″ NB SEAMLESS |
SCH. 40 |
| 4 | 1 |
PIPE 2″ NB |
SCH. 40 |
| 5 | 16 |
NIPPLE 1/4″ PL X 1/4″ NPT(M), 75 mm Lg. SEAMLESS |
SCH. 40 |
| 6 | 16 |
BALL VALVE 1/4″ NPT(F) |
1000 PSI |
| 7 | 1 |
NIPPLE 1/2″ PL X 1/2″ NPT(M), 75 mm lg. SEAMLESS |
SCH. 40 |
| 8 | 1 |
BALL VALVE 1/2″ NPT(F) |
1000 PSI |
| 9 | 1 |
PLUG 1/2″ NPT(M) |
3000# |
| 10 | 2 |
U – CLAMP |
STD. |
NOTE :- NEEDLE VALVE SHALL BE PROVIDED FOR OUTLET CONNECTION AS PER REQUIREMENT.
