Home
About Us
Introduction
Vision & Mission
Major Milestones
Products
TUBE FITTING
PIPE FITTINGS
VALVES
NRV / PRV/ QRC
MANIFOLD VALVES
INSTRUMENTATION HARDWARE
SAMPLING BOMBS
FLANGES
TUBES
Quality
Quality
Technical Specifications
In House Testing Facilities
Certification
Certification & Approvals
Performance Certificates
Type Test Certificates
Clients
Domestic Clients
International Clients
Blog
Contact Us
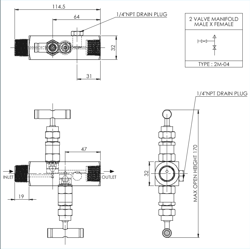
2M-04
2M-04
Category:
2 WAY MANIFOLD VALVES
Description
TYPE : 2M-04
2 VALVE MANIFOLD
MALE X FEMALE
Related Products
2M-05
2M-02
2M-01
2M-03
WhatsApp us